Odpalovací pult 160 topů
MODERNIZACE ODPALOVACÍHO PULTU
POČÁTKEM ROKU 2015 BYLA PROVEDENA DALŠÍ SNAD UŽ TAKÉ POSLEDNÍ MODERNIZACE A ROZŠÍŘENÍ PULTU Z 80 NA 160 TOPŮ VČETNĚ NOVÉ HORNÍ MASKY S TLAČÍTKY. ZÁROVEŇ JE OSAZENA DRUHÁ ŘÍDÍCÍ DESKA S ELEKTRONIKOU.
Během února již započaly práce na modernizaci odpalovacího pultu, který je již plně digitální. Ručně půjde ovládat pouze 16 odpalovacích tlačítek (použití pro zálohy, anonce a pod.). Nově je také vyrobena horní deska s ovládacími, měřícími a čítacími prvky a také kontrolkami LED, které budou signalizovat různé stavy, činnost a správné zapojení okruhů s palníky. Myslelo se i na možnost selhání nebo nízkého napětí zdroje během odpalování, proto jsou na boku připraveny 2 kusy EURO konektorů pro připojení odpalovacích zdrojů a v případě potřeby stačí i během provozu přepnout na ovládacím panelu druhý zdroj. Nyní 4. března 2015 je pult zcela hotov a bude následovat série testů
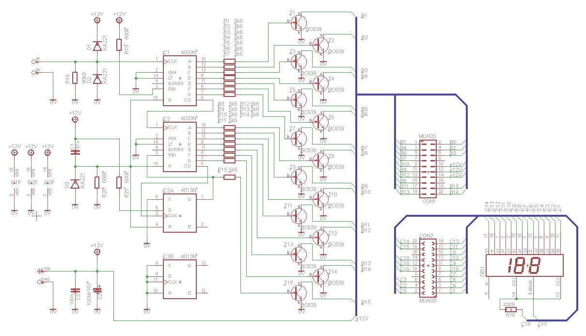
Stávající dvoumístné počítadlo odpalů (80) bylo nutné nahradit trojmístným, proto zde přidávám několik fotografií z přípravy. Počítadlo je vlastní výrobek. Schéma a tištěný spoj byl navržen v programu Eagle.

Schéma a návrh tištěné desky trojmístného čítače.
Osazená deska počítadla.
Připojení na zdroj a testování počítadla. Počítá od 0 do 199, což nám na 160 odpalů bude zajisté stačit.
příprava horní ovládací desky
příprava kufru

















